全国服务热线
0757-85322288发布时间:2025-10-15阅读:
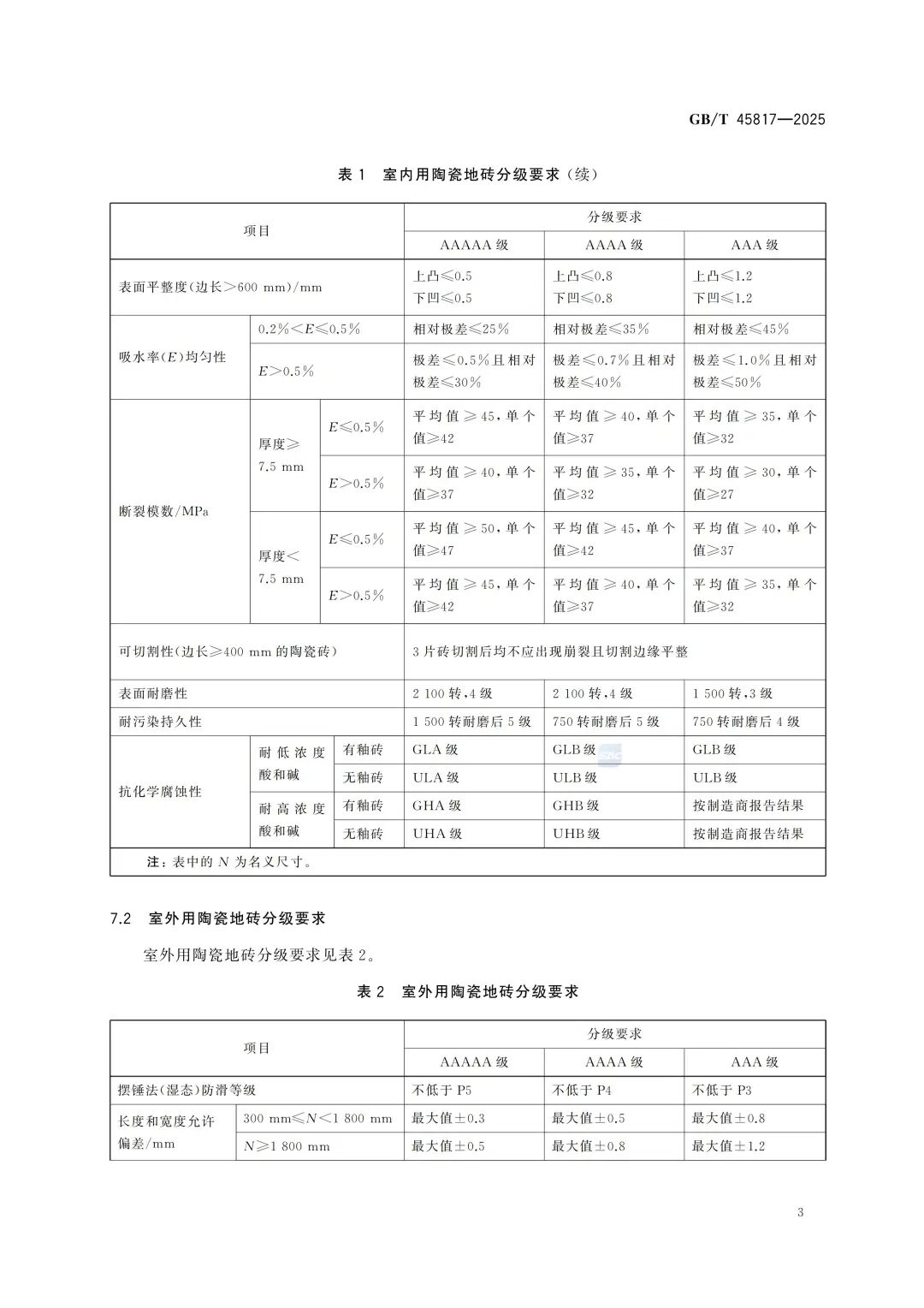
在消费升级与产业变革的双重驱动下,陶瓷行业正迈向标准化、分级化、高端化的发展的新阶段。根据国家标准化管理委员会公告,GB/T 45817-2025《消费品质量分级 陶瓷砖》国家标准将于2025年12月1日正式生效。该标准首次构建了以3A、4A、5A为核心的质量分级体系,为消费者选购产品提供明确依据。


▲GB/T 45817-2025《消费品质量分级 陶瓷砖》
据了解,5A级作为《消费品质量分级 陶瓷砖》最高等级,绝非简单的“指标达标”,而是对陶瓷砖物理性能、功能适配、加工精度的全方位严苛考验,每一项指标背后都需要科研技术的硬核支撑。5A标准在吸水率、防滑系数、耐污染持久性、抗化学腐蚀性等核心维度设定了极高门槛。

作为37年的佛山瓷砖制造企业,强辉率先通过行业首批陶瓷砖新国标最高等级5A级标准检验,其送检的产品通过国家级检测机构5A级产品检测,这也是对强辉37年来始终坚守精工品质的实力认可。
精工砖 强辉造
QHTC


意大利 SACMI CONTIUE+ 连续成型生产线

SACMI DND 智能喷墨机
扎根中国建陶之都佛山南庄37载,强辉始终坚守广东原厂原产,在佛山、肇庆拥有三大生产基地,配备25条全自动化智能生产线,引进SACMI DCD智能喷墨机、萨克米连续成型生产线等尖端设备,从精选优质原料到严苛的产品内控标准,我们以毫米级的精度标准,让每一片强辉瓷砖都承载着精工智造的基因。
持续创新 精益求精
QHTC



秉持着“用精工瓷砖,做一生挚友”的品牌理念,强辉在产品创新方面步履不停,先后推出强辉岩板系列、晶曜系列、绒岩系列、木纹系列、质感大师系列、质感原生石系列等全矩阵产品,为满足消费者的多元化需求不懈努力。
硬核实力 持续进化
QHTC





作为建陶行业技术创新践行者,强辉始终将研发创新作为企业发展的核心驱动力。通过持续投入智能设备与技术升级改造,已取得数十项实用新型设备专利技术,更获评“高新技术企业”、“佛山标准产品企业”、“佛山市清洁生产企业”、“建材环保产品认证证书”、“中国绿色建材产品认证证书”等权威认证,这些荣誉不仅是对强辉技术实力的权威背书,更是鞭策我们持续突破、引领行业发展的不竭动力。
展望未来,强辉将以5A突破为起点,继续发挥技术引领作用,践行精研制造,用精工品质书写中国智造的新篇章,让每一片瓷砖都成为品质生活的见证。

+
6月26日上午,强辉山东淄博旗舰店开业盛典在中国(淄博)陶瓷总部隆重举行。中国(淄博)陶瓷总部副总经理冯汝霞、强辉集团战...

+
够划算·购大牌强辉2022总部团购大促6001200mm王朝时代系列工厂直购,赢豪华品牌家电锁定名额,更有免单券等你来拿...

+
。在流量为王的时代,唯有不断学习与进步,方能把握时代的脉搏。9月8-9日,强辉精工瓷砖举办了“强辉2025星推官计划直播...

+
11月21日,强辉广东保时捷车友会活动在佛山强辉总部展厅圆满举行。来自广东地区的五十名保时捷车友们应邀出席,与集团市场中...

+
强辉20周年好物推荐绒岩系列QZC918E222F 暮灰纱经典灰色搭配浅淡纹理造就优雅与精致的质感

+
近期,广东佛山、广西等多地均发布了对企业做出表彰的榜单,其中,有多家陶企凭借技术创新、品牌建设、质量管理等方面的举措,成...

+
近年来,新媒体营销逐渐成为品牌塑造不可或缺的一部分,凭借其成本低、互动性高、覆盖面广、传播速度快、实时性、多样性以及个性...

+
2024岁岁常欢愉 年年皆胜意龙年大吉 恭喜发财春耕夏耘,秋收冬藏一年光阴转瞬即逝2023年是强辉收获颇丰的一年在品牌各...

+

+
强辉无界大板系列新品推荐DLL715789B 冰泉灰细腻随性的自然纹路散发出质朴天然的气息复制搜一搜分享收藏划线

+
自9月12日起,“金九银十 购精工好砖”强辉20周年新品好物节火热开启,全国各地强辉挚友热情参与,活动的线上线下成交额不...

+

+
9月13日,强辉品牌特邀设计达人、家居一姐@设计师阿爽 赴强辉工厂进行参观考察,在集团营销总经理冼建堂、集团产品研发总监...

+
3月15日,一年一度的国际消费者权益日如约而至,籍此契机,“提振消费信心•悦享佛山之心”禅城区3•15国际消费者权益日直...

+

+
够划算·购大牌强辉2022总部团购大促挚友拼购季,特惠一口价快乐砸金蛋,豪礼抱回家11月12日,和您约定强辉佛山总部!

+
22日,蓄势·赋能2023强辉质感大师新品全国巡讲在5月的最后一站来到了美丽的浙江台州,强辉总部领导、经销商家人、强辉设...

+

+
2月15日,强辉精工瓷砖高品质岩板瓷砖智能窑生产线点火仪式在肇庆生产基地顺利举行。集团董事长梁胜远出席了点火仪式,各部门...

+
强辉聊城旗舰店Store Information门店名称 | 强辉山东聊城旗舰店设计面积 | 430㎡完成时间 | 20...